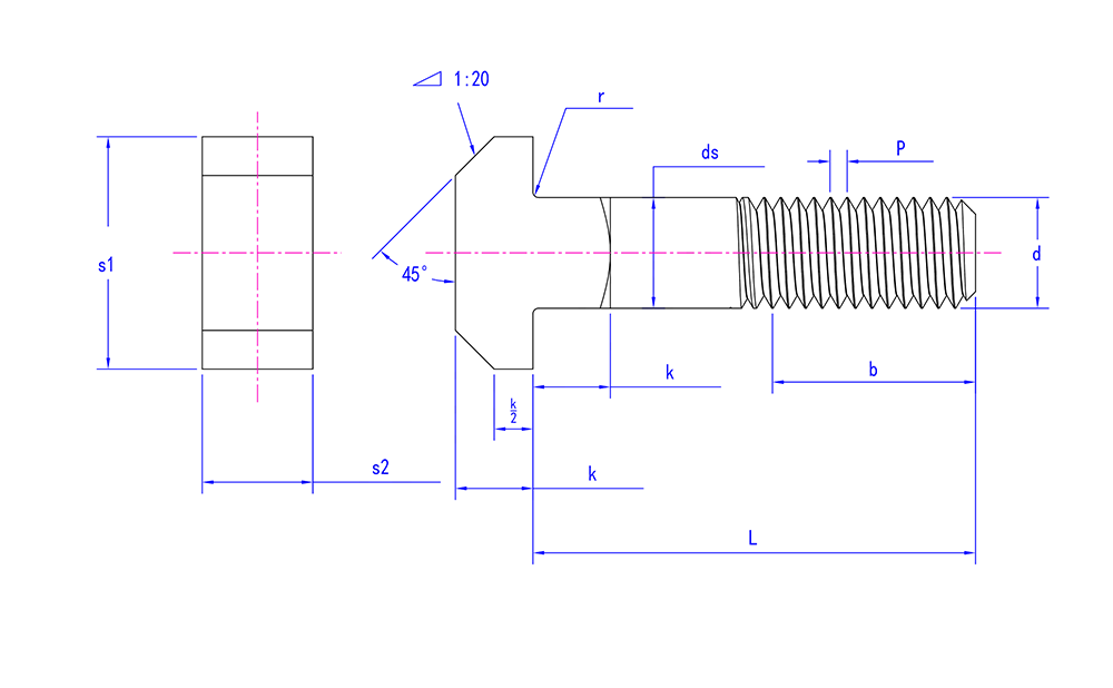
DIN186 Boltaí T-Ceann Cruach Dhosmálta Le Boltaí Muineál Cearnóg
| Gnéithe Ceann | Ceann cineál T muineál cearnach frith-uainíochta |
| Gnéithe slat | Frith-uainíocht dhúbailte |
| Croíchuspóir | Cosc ar rothlú, méaduithe cobhsaíocht |
| Buntáistí agus Gnéithe | Cuireann dearadh an mhuineál cearnach cosc ar rothlú boltaí, atá oiriúnach do shocrúcháin tromshaothair |
| Úsáidí tipiciúla | Cosc a chur ar rothlú, naisc ard-ualach, mar shampla trealamh mór, innealra trom. |
| Príomhtháscairí don Roghnú | Cruth T-ceann, méid muineál cearnach, fad bolt, trastomhas, fad snáithe, ábhar. |
| Ceanglais atá Sonrach don Tionscal | Innealra trom: oiriúnach do threalamh le ualaí ard agus an gá atá le rothlú bolt a chosc. Tionscal na ngluaisteán: a úsáidtear le haghaidh naisc ard-neart a chuireann cosc ar rothlú boltaí. |

















